
Целта на настоящата публикация е да ви запознаем с новите месингови модулни мултизонови колектори на нашия италиански партньор RBM. За тази нова гама колектори е подадена заявка за патент.
Идеята
Kilma-Zone™ на RBM позволява паралелно захранване на крайни хидротермични кръгове със следните цели и предимства:
– ръчно или автоматично затваряне на няколко вериги чрез използване на термостатичен вентил или на електротермична задвижка, която може да се контролира от термостат или хронотермостат;
– икономия в потреблението, тъй като се елиминира необходимостта да се използват множество електрически серво-управления, захранвани едновременно за една и съща топлинна зона;
– микрометрично регулиране на потока с цел балансиране на различните кръгове;
– възможност за проверка на работата на отделните кръгове посредством поставяне на термометри (ако вече не са налични);
– намалените габаритни размери, както в дълбочина, така и в ширина, позволяват вграждането на колекторните кутии и в преградни стени.
Продуктът
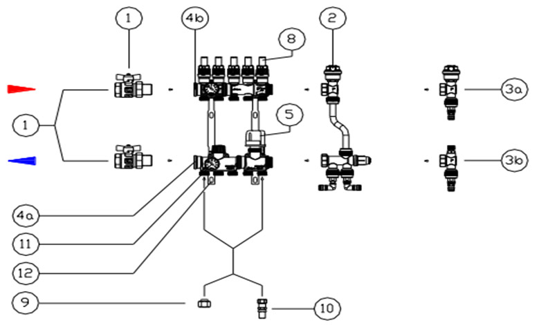
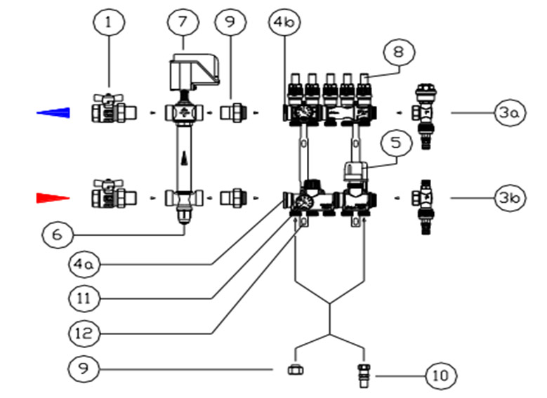
Kilma-Zone™ се доставя, в зависимост от вариантите, окомплектован със следните предварително монтирани аксесоари:
– подаващ колектор, снабден с разходомери с функция на секретен вентил и индикатор на дебита;
– двойка стоманени скоби за закрепване в колекторната кутия;
– двойка термометри 0°- 80°С;
– крайни групи с кран за източване.
Отделно, монтажникът ще трябва да поръча връщащия колектор с термостатични спирателни вентили (задължителен коплектуващ аксесоар, от който се избира на базата на конфигурацията за управление на отделните кръгове).
Приложение
Предназначен е за използване основно в:
– системи за лъчисто подово отопление;
– двутръбни системи за захранване на вентилаторни конвектори със или без сезонна инверсия на флуида.
Приложение – силни страни
Kilma-Zone™ е решението, което позволява значителни икономии, като отменя необходимостта от използването на голям брой електротермични задвижки, захранвани едновременно. Намаляването на броя на сервомоторите има значително влияние върху разходи за изпълнение, управлението* и поддръжката на инсталацията.
* Средни очаквани икономии от 50% от потреблението на електроенергия за управлението на колектора.
За повече подробности вижте раздела „Особени характеристики на колекторите Kilma Zone“.
Аксесоари
Kilma-Zone™ могат да бъдат оборудвани със серия аксесоари, избрани според специфичните нужди на проектанта и на монтажника – групи за обезвъздушаване и източване, байпасна група, сервомотори, зонови вентили и др.


Конструктивни характеристики:
| Тяло | Месинг, никелиран външно |
| Уплътнение на вентила | EPDM Perox |
| Врътки и капачки | ABS |
| Деривационни връзки | Стандарт RBM (W24,5x19F) |
| Захранващи връзки | MF 1″ UNI-EN-ISO 228 |
Технически характеристики:
| Максимално работно налягане | 1000 kPa |
| Диференциално налягане Δpmax (само за термостатичните колектори) |
100 kPa |
| Максимална температура – колектори с дебитомери |
5÷80°C |
| Разрешен флуид | вода; вода+гликол 50% |
| Дебитомер | 1÷4 л/мин. |
| Точност на дебитомера | ±10% |
Особени характеристики на колекторите Kilma Zone.

Пример на разделяне на зони на апартамент от 110 m².
Ако разгледаме случай с апартамент от 110 м2 (реализиран, както в примера по-долу), обслужван от 12 кръга, разделени на 4 отделни топлинни зони, чрез използването на Kilma-Zone™ ще имаме икономия от 8 сервоуправления в сравнение с използването на традиционни колектори за подово отопление.

За по-подробна информация относно колекторите и аксесоарите може да ни потърсите тук.

