
Газови горелки Riello с високо съотношение на модулация серия BP R.
Газовите горелки от серията BP R са леки и удобни за експлоатация. Компактната конструкция с намалени габаритни размери ги правят идеални за всички инсталации, изискващи горивно устройство с ограничени размери и широк диапазон на модулация.
Конструкцията на горелките е от боядисана въглеродна стомана, а частите, влизащи в контакт с пламъка са от огнеупорна стомана и хромникелови сплави.
Горелките се комплектоват в зависимост от зададените изисквания за инсталиране и са съставени от:
– Газов тракт;
– Вентилатор на въздуха за горене;
– Табло за управление.
Серията е с мощности от 5 kW до 1450 kW.
Напълно автоматичната работа позволява управлението на различни фази на работа като включване-изключване, пламък с висока-ниска температура, модулиране на количеството газ и модулиране на съотношението въздух.
Позволява съотношение 50:1.
Инсталиране:
Горелките могат да бъде инсталирана в различни варианти:
– канален тип /монтирани вътре в канал/;
– инсталирани извън канала.
Монтажът е съобразен със специалните изисквания на клиентите към цялостното оборудване на горивната система.
Приложение:
Горелките намират широко приложение в различни сектори на леката и тежка промишленост като:
– технологии за производство на керамични, керемидени, стъклени, огнеупорни изделия и материали;
– ролкови и тунелни сушилни, непрекъснати или прекъсващи сушилни;
– текстилната промишленост – стентери, сушилни, полимеризиращи устройства, машини за печат;
– обработка на повърхности – сушилни и пещи за боядисване;
– хартиената промишленост;
– въздухонагреватели;
– печатаски машини и техника;
– сушене на зърнени култури;
– тютюнопреработване;
– други.
Термичен диапазон

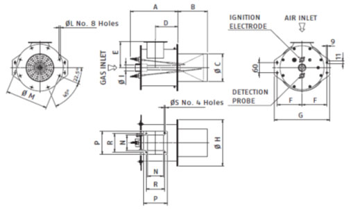
Габаритни размери

| Модели | BP R 75 | BP R 150 | BP R 300 | BP R 450 | BP R 600 | BP R 800 | BP R 1200 |
| A | 270 | 270 | 320 | 370 | 370 | 370 | 392 |
| B | 210 | 205 | 205 | 215 | 215 | 215 | 215 |
| ∅C | 110 | 145 | 190 | 220 | 220 | 220 | 220 |
| D | 140 | 145 | 150 | 200 | 200 | 200 | 200 |
| E | 120 | 150 | 180 | 220 | 220 | 220 | 220 |
| F | 120 | 140 | 170 | 195 | 195 | 195 | 195 |
| G | 270 | 310 | 380 | 430 | 430 | 430 | 430 |
| ∅H | 250 | 250 | 320 | 370 | 370 | 370 | 370 |
| ∅I | ¾“ | 1″ | 1½“ | 1½“ | 1½“ | 1½“ | 1½“ |
| ∅L | 9,5 | 9,5 | 11,5 | 11,5 | 11,5 | 11,5 | 11,5 |
| ∅M | 195 | 225 | 290 | 340 | 340 | 340 | 340 |
| N | 66 | 66 | 114 | 140 | 140 | 140 | 140 |
| P | 105 | 105 | 160 | 190 | 190 | 190 | 190 |
| R | 85 | 85 | 128 | 165 | 165 | 165 | 165 |
| ∅S | 7 | 7 | 9 | 10 | 10 | 10 | 10 |
Спецификация
Характеристики – съотношение до 50:1
– Директно запалване чрез йонизационен електрод;
– Стандартни версии за природен газ и пропан-бутан. При използване на друг вид газ може да се разработи при конкретно запитване;
– Предлага се като цялостен блок с газов тракт, разположен от ляво или от дясно;
– Монофазен или трифазен двигател;
– Лесно инсталиране, стартиране и експлоатация;
– Наръчник с инструкции за инталиране, пуск и работа;
– Схема на резервните части.
Модели
| Модел | BP R 75 | BP R 150 |
BP R 300 |
BP R 450 |
BP R 600 |
BP R 800 |
BP R 1200 |
| Мощност в kW | 5-87 | 6-175 | 9-350 | 18-525 | 18-700 | 18-930 | 30-1450 |
| Гориво | природен газ и LPG | ||||||
| Съотношение | 18:1 | 30:1 | 40:1 | 30:1 | 25:1 | 50:1 | 30:1 |
| Операция | модулиращ | ||||||
| Макс. излишък на въздух | 50% от 87 kW |
50% от 175 kW |
50% от 350 kW |
50% от 325 kW |
50% от 700 kW |
50% от 930 kW |
50% от 1450 kW |
| Диаметър на пламъка в мм | 160 | 200 | 250 | 300 | 350 | 350 | 350 |
| Дължина на пламъка в мм | 600 | 600 | 600 | 600 | 700 | 1000 | 1200 |
| Налягане на газта в mBar | 30 | 10 | 40 | 20 | 35 | 35 | 35 |
| Въздушно налягане в mBar | 8 | 10 | 10 | 10 | 17 | 17 | 17 |
| Тегло в кг | 22 | 38 | 45 | 48 | 48 | 52 | 56 |
Посочените данни се отнасят до условия при работа на максимална мощност. Стойностите на налягането са приблизителни. Стойностите на газа се отнасят за природен газ.
Размерите на пламъка се отнасят до състояние на излишък на въздух 30%.
За повече информация – Калория.

